
LQ系列部分回转阀门电动执行器适用于蝶阀、球阀、旋塞阀及风门等需作90°回转的阀门,用于实现阀门的开启、关闭及调节控制。产品分为基本型、智能型。
该系列产品广泛应用于电力、冶金、石油、化工、食品、纺织、造纸、制药、水处理及污水处理等行业。
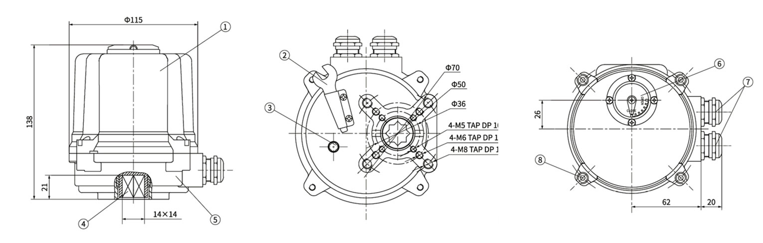
产品防护等级为IP67;隔爆型产品防爆等级可达Ex d IIB T6或Ex d IIC T6。
型号 | 输出扭矩 | 运行时间(50Hz) | 电机功率 | 额定电流 | 参考重量 | ||
AC/DC | AC/DC | AC220V | AC380V | DC24V | |||
LQ0-05 | 50NM | 21S/10S | 10W/10W | 0.15A | 0.09A | 1.2A | 2kg |
LQ1-06 | 60NM | 26S | 20W/20W | 0.45A | 0.22A | - | 8kg |
LQ1-10 | 100NM | 26S | 20W/20W | 0.5A | 0.22A | 1.7A | 8kg |
LQ2-16 | 160NM | 28S | 40W/40W | 0.6A | 0.25A | 2A | 14kg |
LQ2-20 | 200NM | 28S | 40W/40W | 0.6A | 0.3A | 2.2A | 14kg |
LQ2-24 | 240NM | 28S | 45W/45W | 0.7A | 0.35A | 2.8A | 14kg |
LQ3-35 | 350NM | 32S | 60W/60W | 0.9A | 0.38A | 4A | 18kg |
LQ3-50 | 500NM | 32S | 9OW/90W | 1.3A | 0.8A | 6.9A | 19kg |
LQ4-80 | 800NM | 36S | 120W/120W | 1.5A | 1.1A | 9.8A | 24kg |
LQ4-110 | 1100NM | 36S | 180W/180W | 2.2A | 1.5A | 12.5A | 26kg |
LQ4JS-200 | 2000NM | 55S | 180W/180W | 2.2A | 1.5A | 12.5A | 50kg |
LQ4JS-250 | 2500NM | 110S | 180W/180W | 2.2A | 1.5A | 12.5A | 52kg |
LQ4JS-300 | 3000NM | 75S | 180W/180W | 2.2A | 1.5A | 12.5A | 61kg |
LQ4JS-400 | 4000NM | 150S | 180W/180W | 2.2A | 1.5A | 12.5A | 61kg |
LQ4JS-600 | 6000NM | 180S | 180W/180W | 2.2A | 1.5A | 12.5A | 106kg |

