首页 > 产品 > LQ电动执行器 > LQ1Ex-10Z防爆整体型
  • LQ1Ex-10Z防爆整体型
  • LQ1Ex-10Z防爆整体型
  • LQ1Ex-10Z防爆整体型
  • LQ1Ex-10Z防爆整体型
  • LQ1Ex-10Z防爆整体型
  • LQ1Ex-10Z防爆整体型
LQ1Ex-10Z防爆整体型

LQ型系列部分回转阀门电动装置是我公司最新研制的换代型产品。适用于蝶阀、球阀、旋塞阀和风门等做90回转的阀门,用于阀门的开启、关闭或调节控制,可远距离控制,也可现场操作。

广泛用于电力、冶金、石油、化工、食品、纺织、造纸、制药、水厂和污水处理等行业。

该产品的防护等级为IP67,隔爆型产品(型号中有Ex)的隔爆等级为d II BT6或d II CT6

  • 产品描述
  • 产品参数
  • 订单咨询
  • 资质证书
顶端

产品概述


LQ型系列部分回转阀门电动装置是我公司最新研制的换代型产品。适用于蝶阀、球阀、旋塞阀和风门等做90回转的阀门,用于阀门的开启、关闭或调节控制,可远距离控制,也可现场操作。

广泛用于电力、冶金、石油、化工、食品、纺织、造纸、制药、水厂和污水处理等行业。

该产品的防护等级为IP67,隔爆型产品(型号中有Ex)的隔爆等级为d II BT6或d II CT6


机械外壳


外壳:铝合金外壳经过氧化处理。聚酯粉末外涂层,可以适应各种严酷的工况;

传动机构:具有精确的双蜗轮蜗杆机构,低噪声,高输出力矩;

自锁功能:双蜗轮蜗杆机构具有自锁功能,防止反转;

电机:特殊设计的感应电机,内置热保护开关,防止电机过热,绝缘等级为F级;

外部机械限位:阻止限位开关失效时超行程;

力矩开关:当阀门力矩过大时提供过载保护,开、关力矩各一个;

限位开关:可精确定位阀门位置,辅助开关可提供干接点信号;

接线端子:弹簧压紧的接线端子,接线牢固,可在振动环境中使用;

干燥器:干燥器可以防止水气冷凝

离合机构:合上切换手柄可进行手轮操作,通电时自动复位

手轮:带手轮操作,可在停电或紧急时对阀门进行开启或关闭。


电气特点


自动鉴别相序、断相保护;

远程采用DC24V电压等级;

方便灵活的用户接线方式;

现场按钮灯盒旋钮采用不穿透设计,提高整机密封特性;

5个无源触点指示电动装置工作状态,方便DCS系统对电装的监控;

设置电动装置监视电,DCS系统供综合故障信号;

转换旋钮根据需要可以用普通挂锁锁定,防止误操作。


型号含义


1586246054184483.png


选型表


产品型号

输出力矩(N·m)

动作时间

(0-90℃)

电源

硬密封蝶阀

软密封蝶阀

球阀

通风蝶阀

LQ0-05

50

21

DC24V,

AC110V,

AC220V,

AC380V,

AC440V

/

≤DN80

≤DN32

≤DN80

LQ1-06

60

26

/

≤DN80

≤DN32

≤DN80

LQ1-10

100

26

DN40-DN65

DN100-DN125

DN40-DN50

DN100-DN200

LQ2-20

200

28

DN80-DN125

DN150-DN200

DN65-DN80

DN250-DN300

LQ3-35

350

32

DN125

DN200

DN80

DN350

LQ3-50

500

32

DN150-DN200

DN250

DN100-DN125

DN350-DN500

LQ4-80

800

36

DN250

DN300

DN150

DN500-DN600

LQ4-110

1100

36

DN250

DN350

DN150

DN600-DN800

LQ4JS-200

2000

110

DN300-DN400

DN400-DN500

DN200-DN250

DN800-DN1000

LQ4JS-250

2500

110

DN450

DN500-DN600

DN250

DN1000-DN1200

LQ4JS-400

4000

180

DN600

DN700

DN300

DN1200

LQ4JS-600

6000

180

DN600

DN800-DN900

DN350-DN400

DN1500-DN1800


订货须知


用户订货请说明如下内容

阀门所需转矩(N·m)、转速(r/min)

产品使用环境

产品电源电压

与阀门的连接尺寸、型式

电气控制要求

其他特殊要求

性能参数



项目

输出转矩 (N.m)

90° 运行时间(S)

电机功率(W)

电机电流(A)额定

手轮转圈数

参考重量(Kg)

电源

规格


LQ1-06

60

26

40

0.45

12

8

AC220V

1

AC110V

0.22

AC380V

0.26

AC440V

LQ1-10

100

26

40

0.5

10

8

AC220V

1

AC110V

0.22

AC380V

0.26

AC440V

25

1.7

DC24V

箱体材料

铝合金压铸件

限位

机械限位、过力矩保护器

防护等级

IP-67(可定制IP-68)

环境温度

-20℃-60℃

环境湿度

相对湿度大于90%(25%)

绝缘电阻

≥100MΩ

绝缘强度

1500V/1Min(AC220V) 2000V/1Min(AC380V)

选装功能

防爆/加精密电位器、过热故障信号

可选时间/转矩

10S/60N·m 5S/40N·m

产品颜色

蓝色(可定制其他颜色)

注:电气接口:2-NPT3/4防爆堵头,使用时用户应根据所选电缆加装相应的防爆接头或防爆填料函。


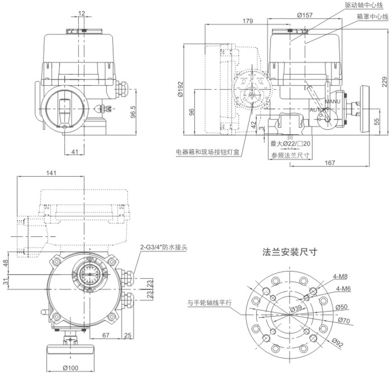
外形尺寸


1.jpg

  • 咨询产品
  • 名称
  • 电子邮件
  • 电话
  • 消息
  • 推荐产品