LQ型系列部分回转阀门电动装置是我公司最新研制的换代型产品。适用于蝶阀、球阀、旋塞阀和风门等做90回转的阀门,用于阀门的开启、关闭或调节控制,可远距离控制,也可现场操作。
广泛用于电力、冶金、石油、化工、食品、纺织、造纸、制药、水厂和污水处理等行业。
该产品的防护等级为IP67,隔爆型产品(型号中有Ex)的隔爆等级为d II BT6或d II CT6
产品概述
LQ型系列部分回转阀门电动装置是我公司最新研制的换代型产品。适用于蝶阀、球阀、旋塞阀和风门等做90回转的阀门,用于阀门的开启、关闭或调节控制,可远距离控制,也可现场操作。
广泛用于电力、冶金、石油、化工、食品、纺织、造纸、制药、水厂和污水处理等行业。
该产品的防护等级为IP67,隔爆型产品(型号中有Ex)的隔爆等级为d II BT6或d II CT6
机械外壳
外壳:铝合金外壳经过氧化处理。聚酯粉末外涂层,可以适应各种严酷的工况;
传动机构:具有精确的双蜗轮蜗杆机构,低噪声,高输出力矩;
自锁功能:双蜗轮蜗杆机构具有自锁功能,防止反转;
电机:特殊设计的感应电机,内置热保护开关,防止电机过热,绝缘等级为F级;
外部机械限位:阻止限位开关失效时超行程;
力矩开关:当阀门力矩过大时提供过载保护,开、关力矩各一个;
限位开关:可精确定位阀门位置,辅助开关可提供干接点信号;
接线端子:弹簧压紧的接线端子,接线牢固,可在振动环境中使用;
干燥器:干燥器可以防止水气冷凝
离合机构:合上切换手柄可进行手轮操作,通电时自动复位
手轮:带手轮操作,可在停电或紧急时对阀门进行开启或关闭。
电气特点
自动鉴别相序、断相保护;
远程采用DC24V电压等级;
方便灵活的用户接线方式;
现场按钮灯盒旋钮采用不穿透设计,提高整机密封特性;
5个无源触点指示电动装置工作状态,方便DCS系统对电装的监控;
设置电动装置监视电,DCS系统供综合故障信号;
转换旋钮根据需要可以用普通挂锁锁定,防止误操作。
型号含义

选型表
产品型号 | 输出力矩(N·m) | 动作时间 (0-90℃) | 电源 | 硬密封蝶阀 | 软密封蝶阀 | 球阀 | 通风蝶阀 |
LQ0-05 | 50 | 21 | DC24V, AC110V, AC220V, AC380V, AC440V | / | ≤DN80 | ≤DN32 | ≤DN80 |
LQ1-06 | 60 | 26 | / | ≤DN80 | ≤DN32 | ≤DN80 | |
LQ1-10 | 100 | 26 | DN40-DN65 | DN100-DN125 | DN40-DN50 | DN100-DN200 | |
LQ2-20 | 200 | 28 | DN80-DN125 | DN150-DN200 | DN65-DN80 | DN250-DN300 | |
LQ3-35 | 350 | 32 | DN125 | DN200 | DN80 | DN350 | |
LQ3-50 | 500 | 32 | DN150-DN200 | DN250 | DN100-DN125 | DN350-DN500 | |
LQ4-80 | 800 | 36 | DN250 | DN300 | DN150 | DN500-DN600 | |
LQ4-110 | 1100 | 36 | DN250 | DN350 | DN150 | DN600-DN800 | |
LQ4JS-200 | 2000 | 110 | DN300-DN400 | DN400-DN500 | DN200-DN250 | DN800-DN1000 | |
LQ4JS-250 | 2500 | 110 | DN450 | DN500-DN600 | DN250 | DN1000-DN1200 | |
LQ4JS-400 | 4000 | 180 | DN600 | DN700 | DN300 | DN1200 | |
LQ4JS-600 | 6000 | 180 | DN600 | DN800-DN900 | DN350-DN400 | DN1500-DN1800 |
订货须知
用户订货请说明如下内容
阀门所需转矩(N·m)、转速(r/min)
产品使用环境
产品电源电压
与阀门的连接尺寸、型式
电气控制要求
其他特殊要求
性能参数
项目 | 输出转矩 (N.m) | 90° 运行时间(S) | 电机功率(W) | 电机电流(A)额定 | 手轮转圈数 | 参考重量(Kg) | 电源 | |
规格 | ||||||||
LQ1-06 | 60 | 26 | 40 | 0.45 | 12 | 8 | AC220V | |
1 | AC110V | |||||||
0.22 | AC380V | |||||||
0.26 | AC440V | |||||||
LQ1-10 | 100 | 26 | 40 | 0.5 | 10 | 8 | AC220V | |
1 | AC110V | |||||||
0.22 | AC380V | |||||||
0.26 | AC440V | |||||||
25 | 1.7 | DC24V | ||||||
箱体材料 | 铝合金压铸件 | |||||||
限位 | 机械限位、过力矩保护器 | |||||||
防护等级 | IP-67(可定制IP-68) | |||||||
环境温度 | -20℃-60℃ | |||||||
环境湿度 | 相对湿度大于90%(25%) | |||||||
绝缘电阻 | ≥100MΩ | |||||||
绝缘强度 | 1500V/1Min(AC220V) 2000V/1Min(AC380V) | |||||||
选装功能 | 防爆/加精密电位器、过热故障信号 | |||||||
可选时间/转矩 | 10S/60N·m 5S/40N·m | |||||||
产品颜色 | 蓝色(可定制其他颜色) | |||||||
注:电气接口:2-NPT3/4防爆堵头,使用时用户应根据所选电缆加装相应的防爆接头或防爆填料函。
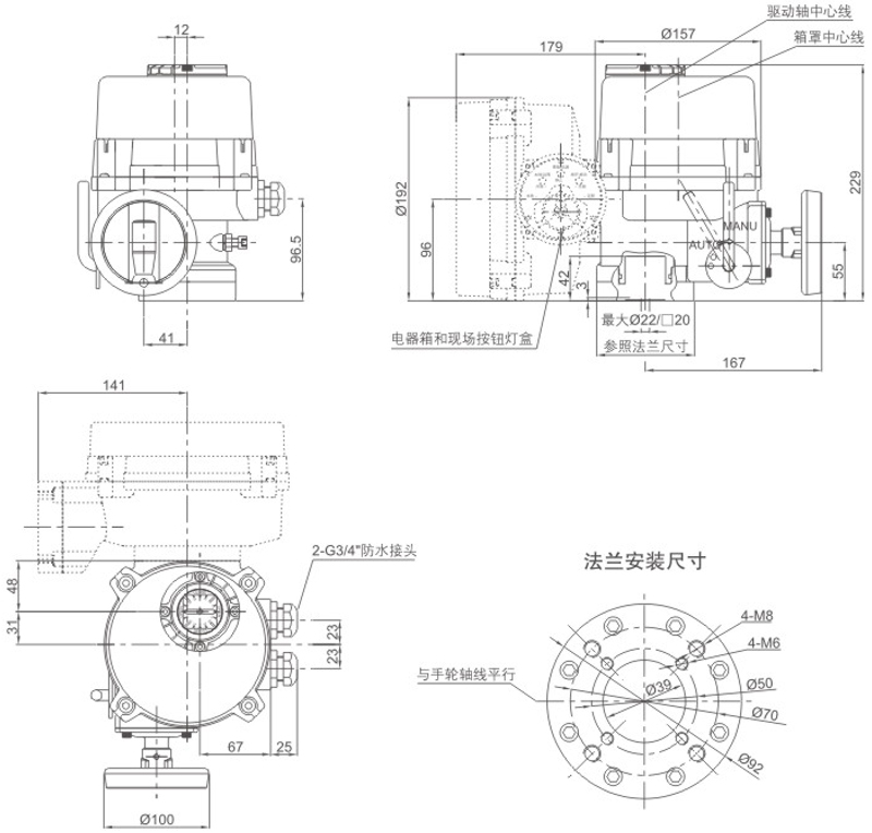
外形尺寸
