HEQ系列S型智能直行程阀门电动装置采用数字集成芯片、绝对编码器、全中文菜单操作和显示、机电一体化的结构设计,具有调试简单、操作方便、防护性强、可靠性高,性能稳定等优点。适用于蝶阀、球阀、旋塞阀和风门等做角行程运行的阀门,用于阀门的开启、关闭或调节控制,可远距离控制,也可现场操作。广泛用于电力、冶金、石油、化工、食品、纺织、造纸、制药、水厂和污水处理等行业。
产品概述
HEQ系列S型智能直行程阀门电动装置采用数字集成芯片、绝对编码器、全中文菜单操作和显示、机电一体化的结构设计,具有调试简单、操作方便、防护性强、可靠性高,性能稳定等优点。适用于蝶阀、球阀、旋塞阀和风门等做角行程运行的阀门,用于阀门的开启、关闭或调节控制,可远距离控制,也可现场操作。广泛用于电力、冶金、石油、化工、食品、纺织、造纸、制药、水厂和污水处理等行业。
S型智能阀门电动装置采用非侵入式设计,所有电器部件都密封在铝合金外壳内,对装置的操作通过遥控器或现场按键就地操作。现场按键、旋扭操作采用圆柱磁钢感应式设计,淘汰了传统的旋扭贯通轴设计,使整体电动装置控制更精确,防护更可靠。
该产品为户外使用型,防护等级为IP67。
普通型阀门电动装置依据标准:B/T8219-2016《工业过程测量和控制系统用阀门电动装置》
型号规格表示方法(S型)

产品特性
全中文显示操作菜单,实时汉字显示阀位值、报警信息、操作状态及方式,直观、易学、易懂、易操作:
采用绝对编码器代替传统电位器作位置传感器,实现角度任意定位,无死区,控制精度更高,寿命更长;
电动装置的功能、参数设定,通过遥控器或现场旋扭操作,无需开盖调试,真正实现非侵入式设计:
电动装置的控制系统具有自动鉴别相序、断相、过热、过载保护,ESD紧急操作功能;
多种控制方式,开关、调节随意切换使用,远程开关量多种接线方式,可采用无源触点控制、两线控制、外部电压输入控制:
现场按键、旋钮采用不穿透设计,提高整机密封特性:
设置电动装置监视继电器,为DCS系统提供综合故障信号;
输入/输出信号通道均经过光电隔离,可承受2000V浪涌电压。
工作环境
动力电源(任选):
三相:AC380V、AC415V、AC440V; ±10% 50/60Hz;
单相:AC110V、AC220V; ±10% 50/60Hz;
直流:DC24V±10%.
重复精度(调节精度)±1%。
死区:0.3%~9.9%可调。
信号丢失位置设定:“保位”、“全关”、“全开”3个任意切换
产品为户外型,其防护等级为IP67。
环境温度:(防爆型)-25~50℃,(非防爆型)-25~70℃;环境相对湿度不大于90%(25℃)。
海拔高度不大于1000m.
工作环境中不含强腐蚀性介质。
非隔爆型产品不得在有爆炸性混合气体的环境中使用。
工作制:1200次/小时 S4-40%。
无强烈振动工况。
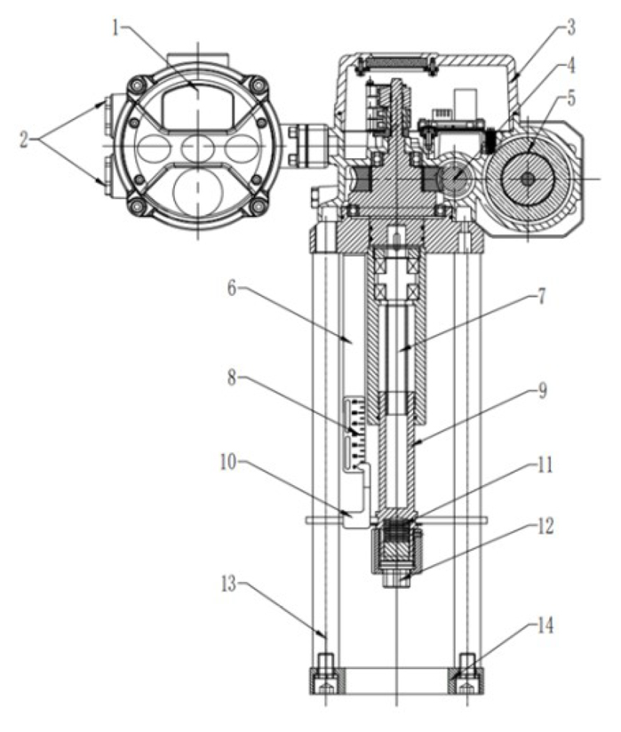
Product Structure
(1) 电气箱 (2) 电缆接头2个NPT3/4 (3) 箱罩 (4) 蜗杆 (5) 电机 (6)刻度尺板 (7)行程传动丝杆 (8)刻度尺 (9)传动铜螺母 (10)折弯指针 (11)蝶簧 (12)连接套(与阀杆连接) (13)支撑柱 (14)支撑法兰(与阀门平台连接) | ![]() |
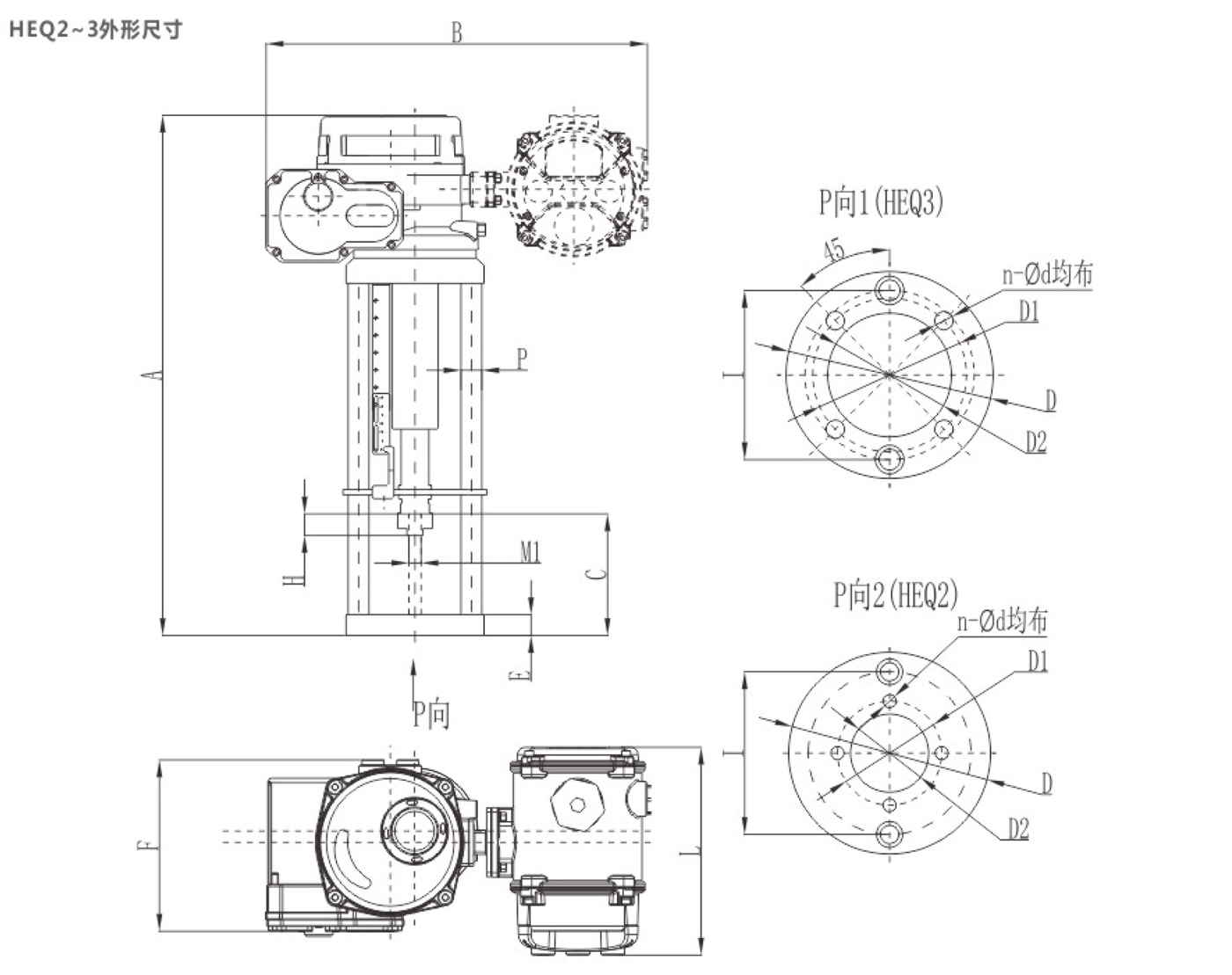
产品尺寸参数

| 尺寸 | A | B | B1 | C | D | D1 | D2 | n-d4 | E | F | L | L1 | H | I | M1 |
| 型号 | |||||||||||||||
| HEQ2-03 | 468 | 392 | 131 | 95 | 155 | 80 | 60 | 4-Φ10 | 24 | 156 | 240 | 97 | 25 | 155 | M10 |
| HEQ2-04 | 468 | 392 | 131 | 95 | 155 | 80 | 60 | 4-Φ10 | 24 | 156 | 240 | 97 | 25 | 155 | M10 |
| HEQ3-06 | 535 | 445 | 171 | 130 | 159 | 105 | 80 | 4-Φ12 | 24 | 201 | 240 | 97 | 25 | 159 | M12*1.25 |
| HEQ3-10 | 615 | 445 | 171 | 140 | 159 | 118 | 95 | 4-Φ14 | 24 | 201 | 240 | 97 | 25 | 159 | M16*1.5 |
| HEQ3-16 | 650 | 445 | 171 | 175 | 159 | 130 | 100 | 4-Φ18 | 24 | 201 | 240 | 97 | 25 | 159 | M20*1.5 |
| HEQ3-20 | 650 | 445 | 171 | 175 | 159 | 130 | 100 | 4-Φ18 | 24 | 201 | 240 | 97 | 25 | 159 | M20*1.5 |
技术参数
| 参数 | 输出推力 (N) | 运行时间 (mm/s) | Moter 电机功率 (W) | 行程 (mm) | 额定电流(A) | 手轮 | 参考重量 (Kg) | |||
| 机型 | AC380V | AC220V | AC110V | DC24V | ||||||
| HEQ2-03 | 3000 | 1.0 | 25W | ≤40 | 0.13A | 0.32A | 0.55A | 2.1A | 选配 | 16 |
| HEQ2-04 | 4000 | 30W | 0.17A | 0.37A | 0.71A | 2.7A | ||||
| HEQ3-06 | 6000 | 1.2 | 60W | ≤60 | 0.25A | 0.5A | 1.0A | 6.8A | 25.9 | |
| HEQ3-10 | 10000 | 90W | 0.38A | 0.75A | 1.5A | -- | ||||
| HEQ3-16 | 16000 | 0.83 | 90W | 0.38A | 0.75A | 1.5A | -- | 26.3 | ||
| HEQ3-20 | 20000 | 120W | 0.55A | 1.1A | 2.3A | -- | ||||
注:产品配上模拟量电气箱,整机重量增加1Kg。
电气控制原理图



