断电复位执行器
HL-L系列断电复位型执行器,适用扭矩范围50 Nm to 250 Nm,内置锂电池和相应的控制电路, 当外部电源断电时,根据要求进行预设断电关阀,断电开阀,断电停止三种状态。确保可靠的 电子故障安全定位。
设计特点
通过开关预设断电复位位置(开/关/停止)
大扭矩,适合大阀门
稳定的锂电池电源,具有更长待机寿命和耐温性能
内置过载保护:当阀门被堵塞时,执行器自动停止运行
模块化设计:便于生产和维护

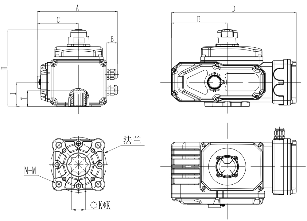
产品尺寸

技术参数
型号 | A | B | C | D | E | H | T | I | K*K | 法兰 | N-M |
HL1-05 | 170 | 26 | 75 | 213 | 87 | 130 | 26 | 42 | 9*9 11*11 14*14 | F03 F05 F07 | 4-M5 4-M6 4-M8 |
HL2-10 HL2-16 | 171 | 26 | 82.5 | 253 | 105 | 139 | 35 | 52 | 14*14 17*17 | F05 F07 | 4-M6 4-M8 |
HL3-25 | 210 | 26 | 104 | 315 | 140 | 159 | 45 | 61.5 | 17*17 22*22 | F07 F10 F12 | 4-M8 4-M10 4-M12 |
型号 | 扭矩 (N.m) | 运行时间 (S/90°) | 电机功率 (w) | 额定电流 (A) | |
24VDC | 220VAC | ||||
HL1-05 | 50 | 20 | 15 | 0.7 | 1.0 |
HL2-10 | 100 | 15 | 25 | 0.7 | 1.0 |
HL2-16 | 160 | 20 | 25 | 0.7 | 1.0 |
HL3-25 | 250 | 15 | 40 | 0.7 | 1.0 |