HEM系列是合力技术团队根据用户需求和多年开发经验研发生产的新一代多圈电动执行器。HEM系列可根据用户需求生产多种型号,如基本型、智能型、总线型、智能分体式等多种形式,安全、稳定、可靠,可满足各领域的不同应用场景。
HEM 系列多回转电动执行机构不仅可用于调节阀、放空阀、截止阀等直行程阀门,在安装部分回转蜗轮箱后,还可用于蝶阀、球阀、旋塞阀等角行程阀门。
HEM 系列直接输出扭矩范围为 100N.m-3000N.m,输出转速范围为 18rpm-144rpm,根据不同转速和不同速比,配合电动专用蜗轮蜗杆减速箱可转换更大、更多的扭矩要求。
HEM-摘要
多圈电动推杆
可用扭矩范围为 100N.M 至 3000N.m。
可用转速范围为 18rpm 至 144rpm。
设计和控制有基本型、智能型、现场总线型和分离式控制箱可供选择。
标准防护等级为 IP67,可选防护等级为 IP68、BT4/BT6、CT4/CT6。
适用于球阀、蝶阀、旋塞阀、闸阀、截止阀、止回阀和调节阀。
HEM-优势
先进技术
运行可靠
重型电机
精确测量扭矩
连续位置跟踪
实时阀门和执行机构性能信息
自动自检和诊断
多功能机柜
易于维护
硬线控制和现场总线通信选项。
资产管理
非侵入式设置
用于远程或本地控制的指令/模式选择开关
红外线遥控器进行设置和调试
阀门和执行器保护
阶段监测
保护方向的改变
电机热保护
扭矩保护
紧急停机保护
故障监控继电器
密码保护
故障警报指示
用户界面友好,控制直观
高分辨率 LCD 显示屏(基本型除外)
本地信号
本地命令
用户友好型菜单
特点
1.双重密封
根据 GB/T4942.2-93 和 IP68(可选)标准,两个 O 形圈可确保最佳的防水性能。
2.非侵入式设置
开/关/停按钮和 LOC/OFF/REM 选择开关,可在现场实现关闭和打开操作。
红外线遥控器用于设置和通讯数据。
3.可旋转的电气舱和 LCD 显示屏。
可旋转带 LCD 显示屏的电气舱,以适应执行机构的安装。
可旋转电缆入口方向,以满足布线要求。
高分辨率显示屏视野开阔,从远处也清晰可见。
4.重型电机
松鼠笼电机,内置 135℃ 恒温保护,低惯性设计,F 级绝缘。
5.位置测量
绝对位置编码器输出精确的位置信息并显示在 LCD 上,不会因市电损失或任何干扰而导致位置丢失。
6.扭矩传感器
扭矩传感器可直接测量输出扭矩,并将数值转换为电压信号。智能型扭矩可设置在额定扭矩的 40% 至 100% 范围内,还可绕过扭矩开关。
7.传动系统
传动系统采用基本设计,具有简单、可靠和坚固的特点,部件采用油润滑,免维护。
8.防爆外壳(可选
符合 ExdIICT4 标准,大气压力范围为 86Kpa 至 106Kpa,环境温度范围为 30℃ 至 60℃。
ExdIIBT4,ExdIIBT6,ExdIICT6 作为选项。
9.手轮和离合器按钮
紧急情况或试运行时,按下红色离合器按钮可实现手轮操作。
模型含义

技术规格
智能型
标准规格 | 扭矩 | 100-3000Nm(带蜗轮蜗杆减速箱) | |
输出速度 | 18-144(rpm) | ||
环境温度 | -30℃-70℃(可选-40℃-70) | ||
抗震性 | 符合 JB/T8219 标准 | ||
噪音等级 | 1 米内小于 70u8 | ||
电缆入口 | 2XNPT 3/4 pluslXNpT3/4 | ||
外壳保护 | 标准 IP68,选配 IP68 | ||
安装底座 | 符合 J82920(爪式)或 IS05210(推力或扭矩) | ||
技术规格 | 电机额定值 | Ctass F,带 150℃热保护装置 | |
额定负载 | 开-关:S2-15 分钟,小于 600 次启动/小时 | ||
调制:S4-50%,启动次数少于 600 次/小时 | |||
选项:1200 次启动/小时 | |||
电压 | 三相: AC380V(±10%);500HZ(±5%)三相三线制 | ||
AC220V、AC415V 和其他电压(可选 | |||
现场总线控制 | Modbus、Profibus(选配);Hart | ||
ON-OFF | 控制信号 | 开-关信号(干触点,24V,220V,可在寸动和保持之间切换) | |
反馈信号 | 6 个继电器触点(5 个状态继电器 +1 个故障继电器) | ||
1 x 模拟反馈:4-20mA,输出阻抗:≤750X2(标配 4~20mA;可选 0-10V、2~10V) | |||
调制 | 控制信号 | 开-关信号(干触点,24V,220V,可交换寸动和保持) | |
模拟信号:4~20mA,输入阻抗:65Q;(可选 0~10V、2~10V) | |||
反馈信号 | 6 个继电器触点(5 个状态继电器+1 个故障继电器) | ||
1 x 模拟反馈:4~20mA,输出阻抗:≤7500(4-20m4 标准;0-10V、2-10V 为可选项) | |||
盲区 | 0.3-9.9% 在全中风范围内调整 | ||
极性 | 是 | ||
信号丢失行动 | 是 | ||
运行模式 | 说明 | LED 显示屏 | |
打开/关闭/遥控/故障指示灯(数字显示位置和扭矩的百分比) | |||
菜单操作 | 遥控器或选择开关 | ||
配置设置(位置、状态反馈、**扭矩) | |||
地方控制 | 指令选择开关(开/关/停) | ||
模式选择开关(LOC/REIM/OFF) | |||
数据记录器和诊断 | 进入故障诊断的红外遥控器套装菜单 | ||
其它 | 功能 | 自动相位校正(仅限 3PH)/警报(本地和远程) | |
扭矩保护/电机热保护/旁路扭矩开关 | |||
空间加热器/ESD 设置(打开、关闭、保持) | |||
平均扭矩 | |||
红外线遥控器 | |||
选项 防爆型 intrared 远程控制 | |||
基本类型
标准规格 | 扭矩 | 100-3000Nm(无蜗轮蜗杆减速箱) | |
输出速度 | 18-144 (rpm) | ||
环境温度 | -30℃-70℃ | ||
抗震性 | 符合 JB/T8219 标准 | ||
噪音等级 | 1 米内小于 7 分贝 | ||
电缆入口 | 2xNPT3/4 pus 1xNPT3/4 | ||
辐射防护 | 标配 IP67,选配 IP68(72 小时水下 15 米无泄漏) | ||
安装底座 | 符合 JB2920(爪式)或 ISO5211(推力、扭矩)标准 | ||
技术规格 | 电机额定值 | F 级,150℃ 电机热保护。 | |
额定负载 | 开-关,S2-15 分钟,低于 600 次启动/小时 | ||
电压 | 三相: AC380V(±10%)/50Hz(5%) 三相导线 | ||
选项:1PH AC220V | |||
现场总线控制 | 无 | ||
开-关 | 控制信号 | ON-OFF,内置触点,额定值为 5A@250VAC | |
反馈信号 | 正常打开/正常关闭(干式控制器) | ||
打开扭矩开关/关闭扭矩开关(干触点) | |||
选项:带电位器 | |||
运行模式 | 说明 | 箭头 | |
菜单操作 | 无 | ||
地方控制 | 无 | ||
数据记录仪和诊断仪 | 无 | ||
其它 | 功能 | 空间加热器 | |
扭矩保护 | |||
电机热保护 | |||
选购件 防爆红外线遥控器 | |||
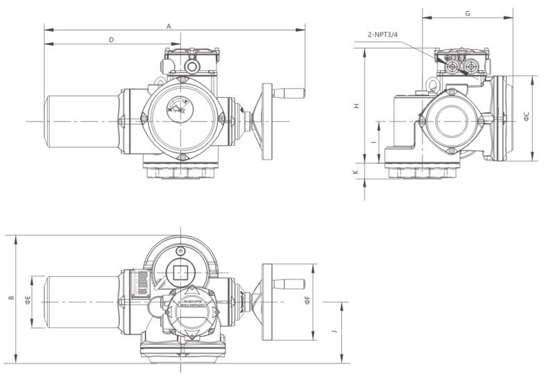
外形尺寸(基本类型)

型号 | A | B | φC | D | φE | φF | G | H | I | J | K | 重量 (Kg) | ||
类型 Z 型法兰 | 类型 T 型法兰 | |||||||||||||
HEM10 | 569 | 294 | 222 | 293 | 105 | 125 | 219 | 290 | 108 | 160 | 0 | 60 | 20 | |
HEM15 | 569 | 294 | 222 | 293 | 105 | 125 | 219 | 290 | 108 | 160 | 0 | 60 | 20 | |
HEM20 | 682 | 332 | 222 | 360 | 135 | 200 | 235 | 300 | 108 | 160 | 41 | 60 | 38 | |
HEM30 | 682 | 332 | 222 | 360 | 135 | 200 | 235 | 300 | 108 | 160 | 41 | 60 | 38 | |
HEM40 | 682 | 332 | 222 | 360 | 135 | 200 | 235 | 300 | 108 | 160 | 41 | 60 | 38 | |
HEM50 | 732 | 387 | 222 | 404 | 155 | 200 | 261 | 305 | 114 | 165 | 41 | 60 | 54 | |
HEM60 | 732 | 387 | 222 | 404 | 155 | 200 | 261 | 305 | 114 | 165 | 41 | 60 | 54 | |
HEM80 | 732 | 387 | 222 | 404 | 155 | 200 | 261 | 305 | 114 | 165 | 41 | 60 | 54 | |
HEM90 | 732 | 387 | 222 | 404 | 155 | 200 | 261 | 305 | 114 | 165 | 41 | 60 | 54 | |
HEM100 | 855 | 445 | 222 | 519 | 226 | 247 | 287 | 355 | 165 | 165 | 0 | 125 | 145 | |
HEM150 | 855 | 445 | 222 | 519 | 226 | 247 | 287 | 355 | 165 | 165 | 0 | 125 | 145 | |
HEM200 | 855 | 445 | 222 | 519 | 226 | 247 | 287 | 355 | 165 | 165 | 0 | 125 | 145 | |
HEM300 | 855 | 445 | 222 | 519 | 226 | 247 | 287 | 355 | 165 | 165 | 0 | 125 | 145 | |