首页 > 产品 > HEQ电动执行器 > 调节型
  • 调节型
  • 调节型
调节型

HEQ系列产品是新一代的电动执行器产品。进行模块化设计,具有丰富可拓展的功能。适用于蝶阀、球阀、闸阀等多种不同形式的阀门。

  • 产品描述
  • 产品参数
  • 订单咨询
  • 资质证书
顶端

概述

HEQ系列产品是新一代的电动执行器产品。进行模块化设计,具有丰富可拓展的功能。适用于蝶阀、球阀、闸阀等多种不同形式的阀门。

优点

结构紧凑,方便狭小空间安装,适配阀型范围广泛

高效的传动设计,具备结构性自锁

独特的调节凸轮,调整阀位更便捷

双重防凝露设计,电气失效概率更低

模块化设计,生产维修易操作

高防护等级,标配IP67出厂,可选配IP68

高防爆等级,可达Exd ll Ct6

独立的电控单元设计,强大的前序保护电路为产品安全稳定保驾护航

控制精度高,可达到1%

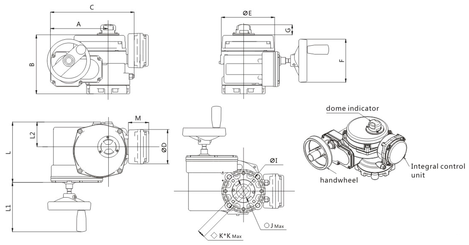
1664500207716900.jpg

HEQ开关型-调节型外形尺寸


1.jpg

型号

A

B

C

D

E

F

G

L

L1

L2

M

I

◇K*K

◇JMax

◇KMax

阀杆深度

HEQ1-05

112

146

166

120

112

100

35

138

98

66

70

F05/F07

M11
M14

≤φ16

≤◇17

31

HEQ1-08

HEQ1-10

HEQ2-15

131

158

182

120

130

100

35

156

93

75

70

F05/F07

M14
M17

≤φ16

≤◇17

31

HEQ2-20

HEQ3-25

171

180

255

120

170

100

35

201

98

82

70

F07/F10
F10/F12

M14
M17
M22
M27

≤φ32

≤◇27

45

HEQ3-40

HEQ3-60

HEQ4-80

200

205

230

120

185

150

35

214

141

86

70

F12
F10/F14

M27
M36

≤φ45

≤◇36

45

HEQ4-100

HEQ4-120

HEQ5-200

232

231

360

120

212

150

35

250

141

100

70

F14orF16

M36

≤φ52

≤◇46

74

HEQ5-250

HEQ5-300


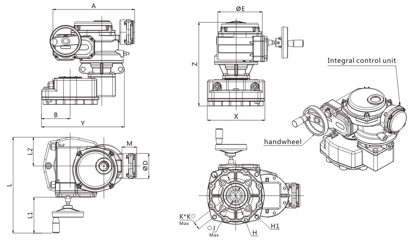
1.jpg


型号

A

B

D

E

H/H1

K*K(Max)

J(Max)

X

Y

Z

L

L1

L2

M

阀杆深度

S

A

HEQ400

339

137

120

339

F14/F16/F25

50*50

35*35

φ60

274

365

395

355

141

137

70

120

HEQ600

388

137

120

388

F14/F16/F25

50*50

35*35

φ60

274

392

405

391

141

137

70

120

HEQ800

388

137

120

388

F14/F16/F25

50*50

35*35

φ60

274

392

405

391

141

137

70

120

HEQ1000

388

137

120

388

F14/F16/F25

50*50

35*35

φ60

274

392

405

391

141

137

70

120

产品常规线路图


1.jpg

技术参数


执行器类型

HEQ 系列电动执行器

扭矩范围

50~3000N.m直连;3000~8000N.m以上配齿轮箱

防护等级

IP67,可选配IP68(IP68定义为水下15m,72小时不渗漏之等级)

防爆等级

ExdllCT6

工作时间

开关:S2:120 分钟

调节:S4:30~50%1200 起始/小时

适用电压

AC110V,AC220V±10% 1 Phase;50/60Hz±5%,可选配AC/DC 24V,AC380V

环境温度

-25℃~+70℃

相对湿度

90%(25℃)

电机规格

F级绝缘,带有过温保护

输出连接

ISO5211直连式,八角孔

调节型功能配置

支持失信模式,信号反转选择功能

手动装置

手柄操作(选配手轮)

位置指示

开关指针(选配凸盖指示)

输入信号

开关型:开关有源信号,无源信号

调节型:标配4-20mA(输入阻抗:150Q)。0-10V,2-10V;(多种信号共存)

光电隔离

输出信号

开关型:有源+无源反馈

调节型:标配4-20mA(输出阻抗:750Ω)。0-10V,2-10V;(多种信号共存)

光电隔离

电缆接口

标配:2-M20×1.5,其它尺寸可定制

防潮加热器

标配(25W~30W)

外观颜色

RAL:9004(黑),环氧聚脂粉体涂装

控制精度

1%(更高精度可定制)

产品选型


型号

输出扭矩

(N.m)

运行时间
(S)

电机功率

(W)

额定电流
(A)

参考重量

(Kg)

AC380V

AC220V

AC110V

DC24V

HEQ1

-05

50

20

12

0.11A

0.25A

0.47A

1.5A

12S

4

-08

80

30

12

0.11A

0.25A

0.47A

1.5A

18S

4

-10

100

30

15

0.12A

0.31A

0.53A

1.87A

18S

4

HEQ2

-15

150

40

25

0.13A

0.32A

0.55A

2.1A

22S

5

-20

200

40

30

0.17A

0.41A

0.71A

2.7A

22S

5

HEQ3

-25

250

30

40

0.18A

0.38A

0.72A

4.0A

18S

7

-40

400

30

60

0.25A

0.5A

1.0A

6.8A

18S

8

-60

600

30

90

0.3A

0.75A

1.5A

9.5A

18S

9

HEQ4

-80

800

35

90

0.38A

0.75A

1.5A

9.5A

20S

18

-100

1000

54

90

0.38A

0.75A

1.5A

9.5A

30S

19

-120

1200

54

120

0.55A

1.1A

2.3A

12.2A

30S

19.5

HEQ5

-150

1500

30

200

0.9A

1.9A

3.9A

13A

35S

28

-200

2000

40

200

0.9A

1.9A

3.9A

18A

35S

28

-250

2500

50

200

0.9A

1.9A

3.9A

23A

35S

28

-300

3000

60

200

0.9A

1.9A

3.9A

30A

35S

28

HEQ4JS

-400

4000

140

90

0.38A

0.75A

1.5A

9.5A

120S

52

HEQ5JS

-600

6000

120

200

0.9A

1.9A

3.9A

13A

120S

62

-800

8000

160

200

0.9A

1.9A

3.9A

18A

120S

62

-1000

10000

200

200

0.9A

1.9A

3.9A

23A

120S

62

注:

1. 产品出厂标准配置。

2. 额定扭矩为**扭矩的0.75倍。

3. 上述为50Hz的开关时间,60Hz的开关时间为50Hz开关时间的5/6倍。**扭矩同上。

4. 上述为执行器的常规参数,如有特殊要求可与本公司联系。

  • 咨询产品
  • 名称
  • 电子邮件
  • 电话
  • 消息
  • 推荐产品