HOM系列角行程电动执行器机械传动采用行星齿轮结构,可输出扭矩25-8000Nm,手动操作机构为无离合设计,手动/电动互不干涉,无需通过手柄或离合器即可轻松操作,在产品通电时也可转动手动。产品可适配蝶阀、球阀、旋塞阀等产品应用于电厂/冶金厂/污水处理厂/楼宇自控/城市管网等管路系统。
产品概述
HOM系列角行程电动执行器机械传动采用行星齿轮结构,可输出扭矩25-8000Nm,手动操作机构为无离合设计,手动/电动互不干涉,无需通过手柄或离合器即可轻松操作,在产品通电时也可转动手动。产品可适配蝶阀、球阀、旋塞阀等产品应用于电厂/冶金厂/污水处理厂/楼宇自控/城市管网等管路系统。该系列产品具有输出扭矩高,带有自锁,速比多样化等特点,连接法兰均采用ISO5211标准,联轴器采用花键连接方便用户适配不同规格阀门。
产品特点
扭矩范围:25Nm-8000Nm
适配多样性,可适配蝶阀、球阀、旋塞阀等阀类
具有自锁性的行星传动机构
一体式IS05211标准连接法兰
3D开度指示器
无离合手轮装置
IP67/IP68高防护等级
内置防潮加热器,预防冷凝
选配过力矩保护,防止损坏阀体
基本参数
供电电压 | AC 220V±10% |
频率 | 50/60 Hz |
扭矩范围 | 25Nm-8000Nm |
行程角度 | 90° |
行程开关 | 2×SPDT,250VAC 5A |
辅助开关 | 2×SPDT,250VAC 5A |
电缆接头 | <100Nm:2-M20*1.5, ≥100Nm:2×PG16 |
开关量 | 输入信号:有源信号 |
输出信号:有源信号+无源信号 | |
模拟量 | 输入信号:4-20mA(出厂设置)/2-10V/0-10V 可调 |
输出信号:4-20mA(出厂设置)/2-10V/0-10V 可调 | |
连接法兰 | 符合ISO5211标准 |
位置指示 | 3D双色带刻度指示器,可选指针指示器 |
手动机构 | 无离合机械手轮 |
防护等级 | IP67、IP68可选 |
环境温度 | -25℃~70℃ |
过力矩保护 | 选配 |
防结露装置 | 内置防潮加热器 |
过热保护 | 电机内置过热保护,启动温度125℃±5℃ |
断电状态 | 断电保位 |
断信号状态 | 4-20mA/2-10V:断信号全开/断信号全关可设置(出厂默认断信号保位) 0-10V:断信号全关 |
规格参数
型号 | Max输出扭矩(Nm) | 运行时间(秒/90°) | 电机功率(W) | 法兰孔距(ISO5211) |
HEQ1-05 | 50 | 20 | 12 | F05/F07 |
HEQ1-08 | 80 | 30 | 12 | F05/F07 |
HOM2-10 | 100 | 19 | 40 | F07/F10 |
HOM2-20 | 200 | 39 | 40 | F07/F10 |
HOM2-30 | 300 | 39 | 40 | F07/F10 |
HOM3-40 | 400 | 29 | 90 | F10/F12 |
HOM3-60 | 600 | 39 | 90 | F10/F12 |
HOM3-80 | 800 | 47 | 90 | F10/F12 |
HOM3-100 | 1000 | 47 | 120 | F10/F12 |
HOM3-130 | 1300 | 47 | 120 | F10/F12 |
HOM4-170 | 1700 | 34 | 200 | F12/F16 or F14 |
HOM4-200 | 2000 | 34 | 200 | F12/F16 or F14 |
HOM4-230 | 2300 | 47 | 200 | F12/F16 or F14 |
HOM4JS-350 | 3500 | 70 | 200 | F16/F25 |
HOM4JS-500 | 5000 | 136 | 200 | F16/F25 |
HOM4JS-800 | 8000 | 188 | 200 | F16/F25 |
注:上述产品的额定扭矩为**输出扭矩的 0.75 倍。
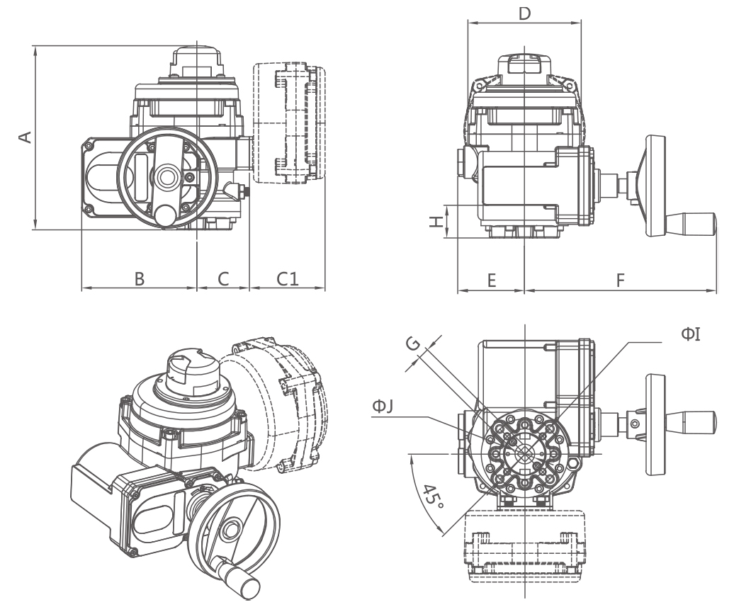
产品尺寸参数
HEQ1外形尺寸图

型号 | A | B | C | C1 | D | E | F | G | H | φI | J | |
HEQ1-05 | 开关型 | 182 | 114 | 52 | / | 140 | 94 | 190 | 11×11 | 30 | 50 | 4-M6 |
HEQ1-08 | 调节型 | 182 | 114 | 52 | 75 | 140 | 94 | 190 | 14×14 | 70 | 4-M8 | |
HOM2-4外形尺寸图

型号 | A | B | C | D | E | F | G | H | φI | J |
HOM2-10 | 278 | 78 | 125 | 189 | 125 | 232 | 14×14 17×17 | 35 | 70 102 | 4-M8 4-M10 |
HOM2-20 | 278 | 78 | 125 | 189 | 125 | 232 | ||||
HOM2-30 | 278 | 78 | 125 | 189 | 125 | 232 | ||||
HOM3-40 | 340 | 105 | 190 | 232 | 158 | 290 | 22×22 27×27 | 55 | 102 125 | 4-M10 4-M12 |
HOM3-60 | 340 | 105 | 190 | 232 | 158 | 290 | ||||
HOM3-80 | 340 | 105 | 190 | 232 | 158 | 290 | ||||
HOM3-100 | 340 | 105 | 190 | 232 | 158 | 290 | ||||
HOM3-130 | 340 | 105 | 190 | 232 | 158 | 290 | ||||
HOM4-170 | 390 | 129 | 245 | 265 | 165 | 325 | 27×27 36×36 | 65 | 125 140 | 4-M12 4-M16 |
HOM4-200 | 390 | 129 | 245 | 265 | 165 | 325 | ||||
HOM4-230 | 390 | 129 | 245 | 265 | 165 | 325 |
HOM4JS外形尺寸图

型号 | A | B | C | D | E | F | G | H | φI | J |
HOM4JS-350 | 586 | 137 | 242 | 265 | 306 | 173 | 36×36 46×46 | 130 | 165 254 | 4-M20 8-M16 |
HOM4JS-500 | 586 | 137 | 242 | 265 | 306 | 173 | ||||
HOM4JS-800 | 586 | 137 | 242 | 265 | 306 | 173 |
Note:
尺寸单位:毫米
阀轴尺寸可定制
如果您需要特殊法兰,请联系我们。